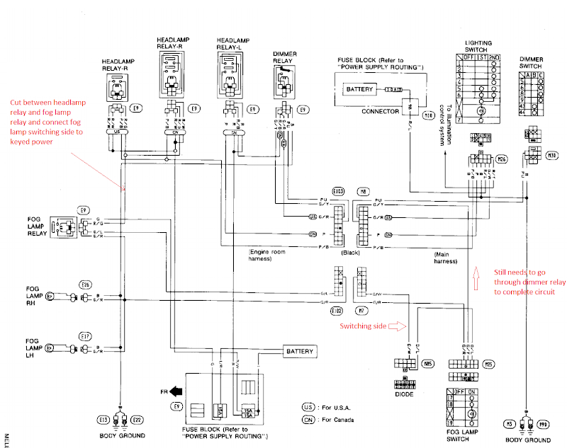
| time running lights on their Z and have the el schematic for their car's year? I am talking about the original Zippin one that has you cut and reroute the switching supply side of the fog light relay to a keyed power source. This allows the fog lights to come on automatically even with the lights off (incl the parking lights). Can you please compare what you have to what is shown in my schematic below to see if there is any difference. If there is no difference I do not see how this works without the parking lights at least being on. I did this for my 93 Z and it worked and for my 95 and it worked until recently. The most important thing for me really is to understand how the circuit is working. I simply do not understand how the fog lights can be on (based on the information in the schematic) without the parking or headlamps on. 
Here is a link to the Picasso page with the photo with a larger image size - La-Z-Link This is from the 1996 FSM. Thank you for any amount of brain time you throw my way. Matt. Seattle area snow, 
 |